Etkilenen Ürün ve Versiyon
| Etkilenen Ürünler | RG3 |
|---|---|
| Etkilenen Versiyonlar |
Problem Tarifi
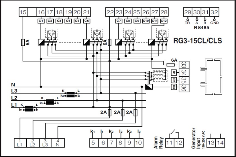
RG3 Serisi Reaktif Güç Kontrol Rölelerinde Fiziksel Bağlantı
Problemin Çözümü
- Üç Faz Gerilim ve Nötr girişleri (L1,L2,L3,N) 2A sigorta ile şebekeye bağlanır.
- Üç Faz Akım trafosu girişleri (IL1,IL2,IL3) İşletmenin ana girişinde bulunan akım trafolarının sekonder uçları bu terminallere bağlanır.
- 15 ve 22 numaralı klemensler kumanda fazı girişidir. 16 ile 28 arası klemensler 12 Kademe Kondansatör çıkış klemensleridir.
- 33 numaralı klemens kumanda fazı girişidir. 34,35 ve 36 numaralar 3 Kademe Şönt reaktör çıkış klemensleridir. (RG3-15CL/CLS Serisi için)
- RS-485 haberleşme klemensi.
- Alarm rölesi çıkış klemensi. Normalde açık kontaktır, alarm oluştuğunda kapanır.
- Jeneratör çalışmada kompanzasyon yaparken , Reaktif Rölenin 2. CosØ de çalışması için bu klemense jeneratör devresinden 110 ile 250 V arasında bir gerilim uygulanır.
